名 称:振荡理瓶灌装旋盖一体机
型 号:
主要用途:专门针对小剂量的药液、口服液、饮料、保健品、香水等液体
设备介绍:
这款振荡理瓶灌装旋盖一体机专门针对小剂量的药液、口服液、饮料、保健品、香水等液体灌装设计的 、尤其适用于1ml-10ml容量的灌装 。采用单头蠕动泵灌装,316L不锈钢材料;工作台面以不锈钢材料防护,整机符合GMP要求。采用振荡式理瓶、圆盘定位灌装,有自动对口装置,自动上盖旋盖,定量灌装,计量准确。特别适用于中小批量的生产可选购防护罩!

技术参数:
生产能力:20~40瓶/分(视瓶子大小及装量而定)
生产合格率:不低于98%
电源:220V,50Hz
总功率: 1.5KW
外形尺寸: 2500mm×1650mm×1700mm
重量 700kg
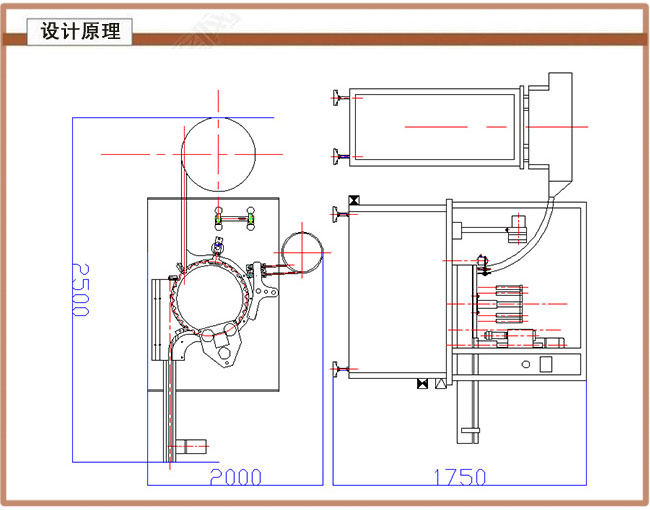
原理及特点:
人工将瓶子置于料斗内,开启按钮,理瓶机自动理瓶,主机启动,瓶子到转盘后,转盘再将瓶子带到灌装工位,采用圆盘定位灌装,灌装完成后瓶子自动被带到加盖、旋盖工位,自动加盖,旋盖,旋盖完成后自动出瓶。